- Home
- News
- General News
- X-rays reveal why...
X-rays reveal why sea urchins are no easy prey
13-02-2012
Nature invented a hi-tech composite material millions of years ago.
Share
Jointly published by ESRF and University of Konstanz (Germany).
The spine of a sea urchin is 99.9% chalk, a very common material forming tiny crystals that are very hard but easy to break apart. Scientists have now discovered how these marine animals use chalk or lime to grow spines combining this hardness with shock-absorbing flexibility. Tiny calcite crystals are embedded, like bricks in a wall, into a mortar of amorphous lime mixed with minute amounts of biological proteins. This points the way to the design and synthesis of new hi-tech composite materials, and a project has already begun involving a major concrete manufacturer. The results are published in PNAS (Proceedings of the National Academy of Sciences) dated 13-17 February 2012.
The team of scientists was led by Helmut Cölfen from the University of Konstanz (Germany) and comprised scientists from the universities of Beijing, Bristol, Leeds, Potsdam, the German Federal Centre for Materials Research (BAM) in Berlin, the CNRS in Orsay, the Max-Planck Institute of Colloids and Interfaces in Potsdam and the European Synchrotron Radiation Facility (ESRF) in Grenoble.
The team found the answer to a well-known problem: the hard-to-break spines of sea urchins consist of lime (calcium carbonate), a material which in crystalline form is hard but brittle. In geological deposits, lime usually forms calcite crystals that have very different properties to sea urchin spines as they break easily along their cleavage planes. However, it is known from X-ray analysis that the spines consist of calcite crystals. When they are broken, on the other hand, they do not produce the plane cleavage surfaces of single crystals but a rough fracture surface corresponding more to a glass or a ceramic material.
Helmut Cölfen built an international network of institutes specialising in materials characterisation to tackle this problem with electron microscopy, X-ray diffraction, nano-analysis and other methods.
![]() |
![]() |
|
![]() |
![]() |
|
|
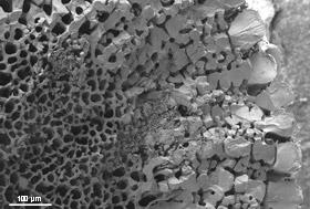
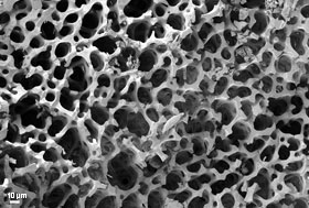
Scanning electron microscopy images of a section of sea urchin spine. Credit: Marina Krumova, University of Konstanz. |
||
The use of different X-ray scattering techniques at the ESRF was instrumental to reveal that sea urchin spines are actually built like walls of nanometre-sized bricks of calcite crystals which are aligned in parallel. The bricks are glued together with a mortar of non-crystalline lime. Such a composite arrangement efficiently absorbs shocks and collisions, as it confers elasticity to the material. “It was a real challenge to separately characterise the crystalline and non-crystalline parts of the spines, because the individual structures are extremely small. We had to combine two very different techniques using thin X-ray beams, one optimised for nanocrystals and the other for amorphous structures”, says Aurélien Gourrier of the CNRS and ESRF.
The researchers determined that 92% of the spines consist of crystalline calcite and 8% of amorphous lime. The disordered lime is in turn made of 99.9% calcium carbonate into which a tiny amount of protein is mixed (0.1%). At a disordered layer thickness of one or two nanometres around the calcite crystals, the amorphous lime ensures that the sting can only be broken with difficulty. This work is the first detailed structural proof of biological mesocrystals. The newly discovered structure solves a decades-long debate on the nature of the sea urchin spine – thanks to the mesocrystalline structure, it combines the properties of thin calcite nanocrystals and of the disordered chalk layer surrounding them.
The large internal surface area of the nature-made mesocrystals can inspire the design of, for example, new materials that are thin and hardly breakable and at the same time environmentally friendly in production and use. "It is fascinating that nature can turn fragile materials through structuring into high-performance composite materials, that manufacturing has not managed to produce so far," says Helmut Cölfen on the global quest to learn from biominerals. His group at the University of Konstanz is already in collaboration with two major international companies on projects dedicated to the manufacture of future high performance concrete.
Publication
Structure-property relationships of a biological mesocrystal in the adult sea urchin spine, J. Seto, Y. Ma, S. Davis, F. Meldrum, A. Gourrier, Y.-Y. Kime, U. Schilde, M. Sztucki, M. Burghammer, S. Maltsev, C. Jäger, and H. Cölfen, PNAS 109, 3699–3704 (2012).
Top image: Inside a sea urchin spine. Credit: Marina Krumova, University of Konstanz.








